Da li ima tko neku ideju ili bi bilo izvedivo staviti s prednje strane ne tako starog kućišta s USB 2.0 prikjučcima USB 3.0 priključke. Imam matičnu koja podržava USB 3.0 i USB 3.0 priključke odozada, ali pošto je riječ o HTPC volio bih da su i ti priključci od napred, a ne da je samo povlačenje USB 3.0 produžnog odozada. Mislim da i matična na sebi ima USB 3.0 priključke (znači dodatne uz one koji su odozada). Ako tko ima koji savjet bio bih zahvalan...
- +/- sve poruke
- ravni prikaz
- starije poruke gore
Da li ima tko neku ideju ili bi bilo izvedivo staviti s prednje strane ne tako starog kućišta s USB 2.0 prikjučcima USB 3.0 priključke. Imam matičnu koja podržava USB 3.0 i USB 3.0 priključke odozada, ali pošto je riječ o HTPC volio bih da su i ti priključci od napred, a ne da je samo povlačenje USB 3.0 produžnog odozada. Mislim da i matična na sebi ima USB 3.0 priključke (znači dodatne uz one koji su odozada). Ako tko ima koji savjet bio bih zahvalan...
Imas vec na kucistu od naprijed USB 3.0 prikljucke?
Ugradjene u kuciste ili na mjestu driveova?
Uglavnom, najbolje rjesenje je kupiti Front panel USB 3.0
Evo, ovo je s Nabave najjeftinij kod nas:
http://www.portio.hr/index.php?page=artikl&id=052650188
OBAVEZNO provjeri da li imas na maticnoj ploci dodatne USB 3.0 konektore.
I jedan slobodan prednji utor 3,5" ili 5,25".
Na matičnoj imam USB 3.0 utore, nemam mjesta za staviti Front panel jer kao na manje više svim HTPC-ovima imam dva front panela koji su mi već zauzeti, mene zanima da li je moguće na mjesta postojećih USB 2.0 konektora staviti USB 3.0 konektore. Riječ je o ovom kućištu...
http://www.lian-li.com/v2/en/product/product06.php?pr_index=263&cl_index=1&sc_index=25&ss_index=62
samo je moje prošla verzija, znači identično izgleda samo naprijed ima USB 2.0 konektore i to me već počelo lagano živcirati.
Na matičnoj imam USB 3.0 utore, nemam mjesta za staviti Front panel jer kao na manje više svim HTPC-ovima imam dva front panela koji su mi već zauzeti, mene zanima da li je moguće na mjesta postojećih USB 2.0 konektora staviti USB 3.0 konektore. Riječ je o ovom kućištu...
http://www.lian-li.com/v2/en/product/product06.php?pr_index=263&cl_index=1&sc_index=25&ss_index=62
samo je moje prošla verzija, znači identično izgleda samo naprijed ima USB 2.0 konektore i to me već počelo lagano živcirati.
E to se trazi, malo podrobniji opis 
USB 2.0 i 3.0 nisu kompatibilni ste se tice konektora na ploci 
Ili rezanje kablova, ponovo lemljenje na nove konektore.
Ili.. ovo sam nasao na netu, druga HTPC kucista imaju mogucnost nabavke novog prednjeg USB 3.0 konektora koji se jednostavno izmjeni!
http://www.silverstonetek.com/product.php?pid=241
(Ides dolje na Q&A i odaberes USB 3.0 Cable upgrade)
Sad potrazi da li postoji nesto takvo za tvoje kuciste.
Edit: Trenutni prednji konektori su u funkciji i rade (kao USB 2.0) ili ih uopce nisi upogonio?
Mislim da sam našao riješenje i to bi bilo ovo...
http://www.lian-li.com/v2/en/product/product06.php?pr_index=508&cl_index=2&sc_index=50&ss_index=131&g=f
e sada samo kako da to dođe u RH, moram istražit...
Hoće li meni ovaj usb 3.0 uredno raditi i na računalima koji imaju samo usb 2.0?
486 PWNZU! http://www.speedtest.net/result/1456936834.png
Kučište mi podržava 3,0 dok matična ne podržava. Zanima me mogu li na ovaj način napraviti da na 3,0 priključki imam 2,0 brzine?
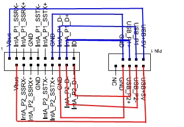
https://www.computerbase.de/forum/attachment.php?attachmentid=241958&stc=1&d=1311470299
Traži ovo.
http://www.legitreviews.com/images/reviews/1758/SST-EC03B.jpg
A sori, mislio sam da imaš obrnuti problem.
Kučište mi podržava 3,0 dok matična ne podržava. Zanima me mogu li na ovaj način napraviti da na 3,0 priključki imam 2,0 brzine?
https://www.computerbase.de/forum/attachment.php?attachmentid=241958&stc=1&d=1311470299
Ovo tražiš?
Da, ali treba dosta vremena dok to dođe, a ja nisam strpljiv :P Uzeo sam usb sa starog kučišta i sad bi to sam pospajao. Zanima me dali bi to radilo? https://www.computerbase.de/forum/attachment.php?attachmentid=241958&stc=1&d=1311470299
Da, ali treba dosta vremena dok to dođe, a ja nisam strpljiv :P Uzeo sam usb sa starog kučišta i sad bi to sam pospajao. Zanima me dali bi to radilo? https://www.computerbase.de/forum/attachment.php?attachmentid=241958&stc=1&d=1311470299
Ako dobro pospojiš - bi. USB 3.0 konektor je USB 2.0 konektor s pet dodatnih pinova koji se odnose na USB 3.0 vezu.
Da, ali treba dosta vremena dok to dođe, a ja nisam strpljiv :P Uzeo sam usb sa starog kučišta i sad bi to sam pospajao. Zanima me dali bi to radilo? https://www.computerbase.de/forum/attachment.php?attachmentid=241958&stc=1&d=1311470299
Ako dobro pospojiš - bi. USB 3.0 konektor je USB 2.0 konektor s pet dodatnih pinova koji se odnose na USB 3.0 vezu.
Hvala :)

